Uno dei tanti aspetti positivi del lavorare nel campo delle energie rinnovabili è sicuramente quello di incontrare persone appassionate, genuine ed entusiaste di tutte le soluzioni che la natura ha da offrirci, e dei modi in cui l’uomo ha deciso di trarne beneficio. Il sig. Yuri è sicuramente una di queste persone. Ecco il suo racconto!
“Ho conosciuto il Portale del Sole grazie a mio padre, che qualche anno fa decise di acquistare un kit fotovoltaico per il suo camper.
Dopo un inizio dubbioso e insicuro lo aiutai nell’impresa e tra cavi, pannelli, armadi e batterie riuscimmo a dotare il suo bellissimo camper “Rapidò” da 7 mt. di energia solare. Fu un grande successo vedere il camper “realmente” autonomo e grazie a quella sua “illuminazione” (bel gioco di parole) poté fare il giro della Sardegna per i successivi quatto anni senza doversi appoggiare ad una fonte fissa di ricarica energetica.
Veniamo però al giorno d’oggi…. Ho deciso nel 2016 di realizzare una nuova casa che rispondesse agli attuali standard energetici di classe “A”. Con grande sorpresa ho scoperto che a partire dal 2017 le case di nuova realizzazione non potranno più attingere l’energia per il riscaldamento ambiente e per l’acqua sanitaria da fonti a combustibili fossili, ma sono obbligate ad installare un sistema a “PDC” (Pompa di Calore) per cui totalmente alimentata da energia elettrica. (pompe di calore a scambio aria-acqua in questo caso)
A maggior ragione la scelta di installare in cucina un fornello ad induzione ci vede ancor più obbligati ad una dipendenza più importante dall’energia elettrica. In comune accordo con il costruttore ho deciso di realizzare in autonomia i vari impianti elettrici, di domotica ed anche il fotovoltaico ad isola con accumulo.
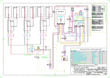
La decisione quindi è stata di ri-appoggiarmi in toto all’esperienza dei tecnici del Portale del Sole, i quali ringrazio per la loro disponibilità e professionalità, e ho quindi deciso di acquistare un kit da 2,7 kW ad isola con accumulo.
La sola differenza che invece di acquistarlo completamente in una sola volta, ho approfittato dei vari stati di avanzamento lavori della mia abitazione per acquistare “step-by-step” i vari componenti del kit stesso.
Dati Tecnici:
La villetta ha una dimensione di ca. 130 mq. disposta su due piani, con un giardino di ca. 400 mq. che la circonda. Le dotazioni tecniche principali sono:
– Riscaldamento a pavimento ed acqua sanitaria mediante “PDC”
– Domotica per il controllo delle tapparelle e delle luci interne e notturne “TRUST”
– Impianto FTV ad isola ad accumulo da 2,7 kW (estendibile a 3,6 kW) “IL PORTALE DEL SOLE”
– Vari impianti di antifurto e videosorveglianza
– Impianto di “VMC” di ventilazione meccanica convogliata
Tutti i sistemi coesistono e sono controllati dalle loro relative applicazioni accessibili da smartphone.
Entrando nel merito dell’impianto FTV è composto da:
– 9 pannelli FUTURA SUN da 300W collegati in serie a 3 (tensione di uscita 120 VDC)
– 1 pacco batteria LiFePo4 da 48V – 75Ah
– 1 quadro di commutazione COMSI antiblackout
– 1 inverter onda pura da 4kW/48V + regolatore MPPT da 80A
(Ovviamente ci sono una serie di accessori da acquistare a parte in quanto tali, come morsettiere, connettori MC4, cavi, kit di fissaggio pannelli, scatole di derivazione, diodi di blocco ecc.)
PREMESSA
L’abitazione prevede per il futuro una sempre maggiore richiesta di energia, in quanto predisposta per l’installazione di una piscina esterna e di un sistema di “VMC” ventilazione meccanica convogliata con il compito di filtrare, riscaldare e recuperare l’aria e l’umidità che si crea all’interno delle abitazioni in classe “A”, ecco il perché ho anche pensato di lasciare spazio alla predisposizione per una ulteriore terna di pannelli aggiuntivi portando così l’impianto ad un tot. di 3,6 kW.
Credo sia molto importante pensare ad eventuali possibilità future per un aumento della propria potenza in funzione anche del costo sicuramente sempre più elevato delle energie ed un impatto ambientale di Co² comunque non trascurabile.
A causa di una ridotta superficie del tetto disponibile a SUD, ho deciso di installare una parte di pannelli anche ad OVEST e per evitare eventuali ritorni di correnti da una serie di moduli ad altri sono stati installati connettori MC4 a diodo di blocco da 10A.
Grazie ai connettori MC4 con diodo di blocco è possibile effettuare collegamenti rapidi e in sicurezza senza l’ausilio di speciali attrezzature.
PARTE TETTO
Per quanto riguarda l’installazione dei moduli FTV sul tetto, grazie al suggerimento dei tecnici del PORTALE DEL SOLE, ho lasciato l’inclinazione dei pannelli alla quella medesima del tetto (20°) ottimale soprattutto nei mesi estivi. Avrei preferito un posizionamento a 35° ma chiaramente sarebbero stati più sollecitati in caso di vento forte ed avrei dovuto usare dei fissaggi leggermente diversi.

PARTE SOTTOTETTO
Nello specifico dei componenti posizionati nel sottotetto, ho realizzato un piccolo quadro di connessione dei moduli FTV contenente una morsettiera di parallelo, un sezionatore da 63A di isolamento pannelli in caso di manutenzione e due scaricatori di tensione “DC” collegati ad un cavo di terra da 25mm² dedicato, che dal sottotetto scende direttamente al punto di massa più vicino alle puntazze di massa a terra. Gli scaricatori hanno un costo importante ma sicuramente del tutto trascurabile vista l’importanza di proteggere i nostri pannelli, giusto?!

LOCALE TECNICO / BOX AUTO
All’interno del box auto è stato creato il locale tecnico adatto a contenere oltre ai vari dispositivi ed accessori a completamento dell’impianto, come l’inverter da 4kW, il quadro COMSI con il regolatore di carica, interruttori di protezione e sistema di monitoraggio dei consumi, anche le periferiche aggiuntive come la PDC e la VMC.
Per quanto riguarda il quadro COMSI, ci tengo a precisare che viene fornito dal “Portale del Sole” completo di tutte le sue parti e schemi elettrici, ma non è cablato, per cui armatevi di pazienza e di attrezzi del mestiere in quanto dovrete realizzare anche questo cablaggio. Nonostante il numero di dispositivi da cui è composto (interruttori magnetotermici, scheda di controllo, temporizzatore, teleruttore e relè) non è per niente difficile completare il tutto.

La parte di accumulo è composta da un pacco batterie di nuova concezione LifePo4 da 75Ah/48V (per saperne di più sulle batterie al Litio clicca qui, ndr).
Grazie alla sua compattezza e modularità può essere posizionato a terra senza dover eseguire ulteriori collegamenti di serie. Le connessioni principali con l’inverter sono composte da 2 cavi da 35 mm² / cad. con una lunghezza che non deve superare i 2 mt., viceversa qualora si debba posizionarla in un punto più distante dovrà essere incrementata la sezione in funzione della distanza da raggiungere. I tecnici del Portale del Sole potranno aiutarvi dandovi tutte le informazioni necessarie. Io ho pensato di posizionarlo su un piccolo supporto munito di ruote in modo da poterlo spostare in tutta comodità vista la sua posizione di fronte ad una scatola di derivazione.

CONCLUSIONI
Ringrazio nuovamente il PORTALE DEL SOLE per il supporto, la disponibilità e la gentilezza con la quale si contraddistinguono.
L’esecuzione di un impianto FTV ad isola con accumulo è stata una sfida intensa e per alcuni tratti complessa per cui mi sento di consigliarla solo ad esperti del settore e comunque persone che abbiano un “back-ground” tecnico di un livello adeguato. Sconsiglio a chi non ha mai eseguito cablaggi elettrici di un certo livello di cimentarsi una impresa di questo calibro, soprattutto quando si tratta di casa vostra e dovete totalmente dipendere da una delle invenzioni più rivoluzionarie della storia: LA CORRENTE ELETTRICA!
Ho perfezionato ed adeguato alle mie esigenze le schemistiche realizzate con Autocad, per cui invito chiunque abbia piacere di contattarmi per poter avere copia gratuita.
Grazie per la Vs. lettura, e buon SOLE!

Ti è piaciuto quest’articolo? Leggi le altre testimonianze nella categoria “I Vostri Test”